Global
Ñ¡ÔñÓïÑÔ
ǰÑÔ
½ËÕÊ¡×Ô6ÔÂÆðÖ´ÐеķÖʱµç¼ÛÐÂÕþ·å¹È¼Û²î½µµÍ33%£¬°²»ÕÊ¡×Ô7ÔÂÆðÖÐÎçʱ¶ÎÔö¼ÓÒ»¸ö¹È¶Î£¬É½¶«Ê¡Ôø¾³öÏֵĸºµç¼Û...
ÕâЩÕþ²ßµÄ³öÏÖ£¬±ØÈ»µ¼Ö¹â·ü»ò´¢ÄܵÄÊÕÒæ²»¼°Ô¤ÆÚ£¬ÄÇ×÷Ϊ¿Í»§Í¶×ÊÉÌÓ¦¸ÃºÎÈ¥ºÎ´Ó£¿¹ÌµÂÍþÔ´ÍøºÉ´¢ÖÇϵͳ·½°¸£¬¿ÉÒÔÌṩ¿¹·çÏÕÄÜÁ¦¸üÇ¿¡¢Êг¡»¯³Ì¶È¸ü¸ßµÄ½â¾ö·½°¸¡£ÆäÖйⴢÐͬ¾ÍÊÇÔ´ÍøºÉ´¢ÖǵÄ΢¹ÛÃÜÂ룡
01
ʲôÊǹⴢÐͬ£¿
¹â´¢ÐͬºÍ³£¹æµÄ¹â+´¢ÓÐÊ²Ã´Çø±ð£¿
¡ª

02
¹â´¢ÐͬµÄÓÅÊÆ
¡ª
×ܽáÀ´ËµÖ÷ÒªÊÇÒÔÏÂÈý¸öµã£º
1. ¶¯Ì¬Æ½ºâ£ºÆ½»¬¹â·ü¼äЪÐÔ¡¢²¨¶¯ÐÔ£»
2. ÌáÉýÏûÄÉ£ºÌá¸ß¹â·ü×ÔÓñÈÀý¡¢¶ÀÁ¢Î¢Íø¡¢Ìá¸ßºìÇø½ÓÈëÈÝÁ¿£»
3.ÓÅ»¯µ÷¶È£º¹â´¢ÏµÍ³³öÁ¦¿É¿Ø¡¢¶à³¡¾°Ä£Ê½Çл»¡£×îÖÕÄ¿µÄ¾ÍÊÇͨ¹ý·å¹ÈÌ×Àû¡¢¸¨Öú·þÎñ¡¢¼õÉÙÉ豸ÈÝÁ¿¡¢ÐèÁ¿µç·Ñ¹ÜÀíµÈÌá¸ßÏîÄ¿ÊÕÒæ£¬Ëõ¶ÌÏîĿͶ×Ê»ØÊÕÆÚ¡¢Ôö¼Ó¿¹·çÏÕÄÜÁ¦¡£
03
¹â´¢ÐͬµÄ¿ØÖƲßÂԺͼܹ¹
¡ª
¼øÓÚ¼äЪÐÔ¿ÉÔÙÉúÄÜÔ´³öÁ¦µÄ²¨¶¯ÐÔºÍËæ»úÐÔ£¬Í¨¹ý¿É¿ØÁé»î×ÊÔ´ÔÚ²»Í¬Ê±¼ä³ß¶ÈµÄ¼°Ê±µ÷Åä£¬Ô´ÍøºÉ´¢ÖǵÄÐͬ¿ØÖÆ£¬ÊµÏÖ¼äЪÐÔ¿ÉÔÙÉúÄÜÔ´²¢ÍøÆ½ÎÈÔËÐС£ÆäÖУº
Ô´¶ËÒÔ¿ÉÔÙÉúÄÜÔ´µÄ×î´óÏûÄÉΪ¿ØÖÆÄ¿±ê£»
ºÉ¶ËÔÚÈ·±£ÖØÒª¸ººÉ²»¼ä¶Ï¹©µçµÄ»ù´¡ÉϲÎÓëµçÍøµ÷½Ú£¬ÊµÏÖ¿Í»§¼ÛÖµµÄÀûÒæ×î´ó»¯£»
´¢¶Ë×÷ÎªÖØÒªµÄË«Ïò¹¦ÂÊÓëÄÜÁ¿Æ½ºâ×ÊÔ´²ÎÓëµçÍø»òƽ̨µ÷¶È£»
µçÍøÔËÐз½Ê½µÄÁé»îµ÷ÕûÊÇʵÏÖ¸ü´ó·¶Î§ÄÚµçÄÜ·ÖÅäÓëÓÅ»¯ÔËÐеÄÖØÒªÊֶΡ£
ÅäµçÍøÔ´ÍøºÉ´¢ÖÇÐͬ¿ØÖƼܹ¹ÓÉÁ½¸öά¶È×é³É£¬´ÓÉ豸ά¶È³ö·¢£¬·ÖΪԴ¡¢Íø¡¢ºÉ¡¢´¢¡¢ÖÇÎå¸ö²ã¼¶£¬ÎåÕß½»»¥ÊµÏÖÐͬ¿ØÖÆ£»´Ó¿ØÖÆÎ¬¶È³ö·¢£¬Ôò¶ÔÓ¦ÔÆ±ß¶Ë»¥¶¯£¬¸÷¸ö»·½Ú¹¦ÄÜÓÐËù²»Í¬£¬ÆäÖУº
ÔÆ£¬¸ºÔðÈ«¾ÖËã·¨ºÍе÷¿ØÖÆ£»
±ß£º¸ºÔðÇøÓò¼ä½»»¥ºÍ¾ßÌå¿ØÖÆ²ßÂÔµÄÖ´ÐУ»
¶Ë£º¸ºÔðÇøÓòÄÚ×ÔÖκͽ«ÄÜÁ¿Á÷±äΪÐÅÏ¢Á÷£¬×ö×îÖÕÖ´ÐС£
04
¹â´¢Ðͬ¿ØÖÆÓ²¼þ
¡ª
Ŀǰ¹ÌµÂÍþÕë¶Ô¹â´¢Ðͬ¿ØÖÆ·½°¸£¬¾ß±¸È«Ì×µÄ×ÔÑÐÉ豸ºÍ³ä·Ö¿ª·ÅµÄµÚÈý·½É豸½ÓÈë¿Ú¡£
´ÓÓ²¼þÀ´Ëµ£¬¾ß±¸ÁË£º
1.¹âµç½¨²Ä+²¢ÍøÄæ±äÆ÷µÄ·Ö²¼Ê½µçԴϵͳ£»
2.¶àÖÖ»§´¢+¹¤ÉÌ´¢+´ó´¢¼¯³ÉµÄ´¢ÄÜϵͳ£»
3.³äµç×®¡¢ÈȱúÍÓû§¸ºÔØ×é³ÉµÄºÉ¶Ë£»
4.°üº¬¸÷ÀàÐͼì²âµç±íºÍͨѶ¹¦ÄܵÄÎïÁªÉ豸£»5.¾ß±¸±¾µØ¿ØÖƹ¦ÄܺÍÁé»î¶ÔÍâ½ÓÈ빦ÄܵÄEMS¿ØÖÆÉ豸£»

05
¹â´¢Ðͬ³¡¾°»¯Ó¦ÓÃ
¡ª
¹â´¢Ðͬ²»½ö´´Ô쾼üÛÖµ£¬¸üÔڹؼü³¡¾°ÖÐÌṩºËÐŦÄÜÖ§³Å£¬ÒÔÏ·ֳ¡¾°¾ÙÀý£º





06
ÏîÄ¿°¸Àý
¡¾½Î÷ij¹â´¢³äÏîÄ¿¡¿
¡ª

ÏîÄ¿±³¾°
ÏîÄ¿Ô°ÇøÊÇÒ»¸öÐÂÄÜÔ´ÖØÐÍ¿¨³µ½¨ÔìÔ°Çø£¬±¾ÉíÔÚ³ö³§Ê±ÓдóÁ¿³äµçÐèÇó£¬Ô°ÇøÓÐÒ»¶¨¹â·ü×°»úÈÝÁ¿£¬ÓÅ»¯ÊÖÐøÇé¿öÏÂ×ö¹â´¢³äÐͬ¿ØÖƵÄÏîÄ¿£¬Í¶×Ê·½ÊµÏÖ×î´ó»¯µÄ¹â·üÏûÄɺͽµµÍÔ°ÇøµçÍøµç·Ñ·Ö³É¡£
²¢ÍøÄ£Ê½
×Ô·¢×ÔÓã¬Óàµç²»ÉÏÍø¡£
¿ØÖƲßÂÔ
ÐèÁ¿¿ØÖÆ+TOUģʽ+¸ßѹ·ÀÄæÁ÷
¼ÆÁ¿µã
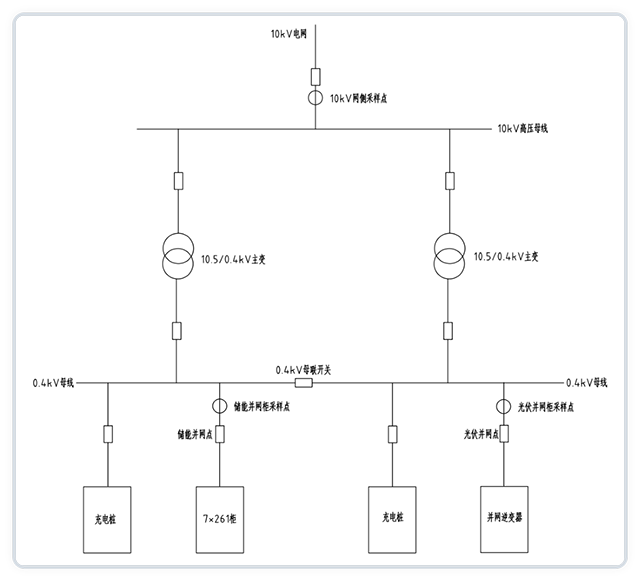
¢Ù10kV¸ß¼Æ¸ß¹©¼ÆÁ¿±í
¢Ú¹â·ü²¢Íø¹ñ380V¼ÆÁ¿±í
¢Û´¢Äܲ¢Íø¹ñ380VË«Ïò¼ÆÁ¿±í

ϵͳʾÒâͼ
½¨Éè¹æÄ£

¿ØÖÆ·½Ê½

ÏîÄ¿×ܽá
1.ÔÆ¶Ë¹¦ÄÜ£º¹â·üÈ«Á¿½ÓÈë¼°¼à¿Ø¡¢´¢ÄÜÈ«Á¿½ÓÈë¼°¼à¿Ø¡¢³äµç½ÓÈë¼°¼à¿Ø¡¢µ÷¶È¿ØÖÆÄ£Ê½Çл»¼°µ÷¶È¼Æ»®°²ÅÅ¡¢¹â´¢³äϵͳ¸æ¾¯¼à²â¡¢¹â´¢³äµçÁ¿¼°ÊÕÒæ·ÖÎöµÈ¹¦ÄÜ¡£
2.±¾µØ¶Ë¹¦ÄÜ£º·å¹ÈÌ×Àû¡¢ÐèÁ¿¿ØÖÆ¡¢·ÀÄæÁ÷¿ØÖÆ¡¢ÏµÍ³±¸Óõ硢×Ô·¢×ÔÓÃģʽ¡¢PVÄÜÁ¿¹ÜÀí¡¢¶¯Ì¬À©ÈÝ¡£
×ܽ᣺ʵÏ̵ֹÂÍþ¹â·ü+¹ÌµÂÍþ´¢ÄÜ+µÚÈý·½³äµç×®³¡¾°Ï£¬¹â´¢³äµÄÐͬµ÷¶È¿ØÖÆ£¨×Ô·¢×ÔÓÃ+·ÀÄæÁ÷+TOU¾¼Ãģʽ£©Ôƶ˹¦Äܺͱ¾µØµ÷¶È¿ØÖƶËÍê³É£¬²¢ÔÚʵ¼ÊÏîÄ¿µÃµ½½ÏºÃµÄÑéÖ¤ºÍÓ¦Óá£×îÖÕ´ïµ½¹â·üÂ̵çÏûÄÉÂÊÌáÉý26%µÄЧ¹û¡£
½áÓï
¡ª
¹â´¢Ðͬ½â¹¹Ô´ÍøºÉ´¢ÖǵÄ΢¹ÛÃÜÂëÔ´ÍøºÉ´¢ÖÇÊÇδÀ´µÄºê¹ÛÉú̬
¼ÓÈëÎÒÃÇ