Global
选择语言
前言
分布式光伏发电在满发以及容量占比达到一定比例时,容易引起电压超限问题。电压超限不仅影响了电能质量问题,而且限制了光伏在配电网中的渗透率。针对电压超限,电网公司出台了相应的光伏发电系统并网技术规范,业内也有通过逆变器控制方案来实现并网点电压的调整或增加新的无功补偿装置应对等解决方案。本文由小固给大家普及一下光伏、并网点电压问题。
01并网逆变器是电压源还是电流源?
首先我们需要了解逆变器电源类型,有助于理解电网对逆变器的影响。毫无疑问,并网逆变器是发电设备,属于电流源。电流源的特性是内阻无穷大,输出电流由设备内部算法进行控制。电压及频率由外电路(电网)决定,电流源的特点要求电流源不能开路(电网不能故障),电流源可以并联使用。
而电压源的特性是内阻为零,输出电压恒定不变;电流及其方向由电压源与外电路共同决定。电压源的特点要求电压源不能短路。
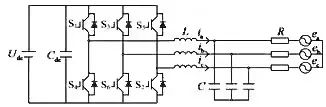
电压源型逆变器
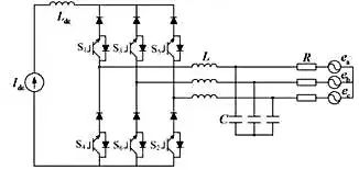
电流源型逆变器
并网逆变器的运行策略是依靠大电网所提供电压和频率的刚性支撑,这时电网中的负荷波动、电压和频率的扰动都由大电网承担,分布式电源不需考虑电压和频率调节。
光伏并网逆变器的输出电压由电网决定的,当电网电压超过逆变器工作电压范围时,逆变器故障停机,当电网电压在逆变器工作电压范围内,逆变器正常工作。
电网对不同形式的逆变器输出的电能质量有一定的要求,不同的规范、不同的逆变器存在一定的差异。
02A类、B类逆变器的区别
不同类别的逆变器对于电压超限、孤岛保护等要求有较大区别,逆变器类别将根据《光伏发电并网逆变器技术要求》(GB/T37408-2019)中规定,逆变器按接入电源等级可分为A类、B类逆变器。

概括来讲,A类逆变器与公共电网的要求紧密,B类逆变器主要应用于分布式光伏发电系统,具有并网电压低、与公用电网联系不紧密、对电网影响小等特点。
A类逆变器在无功容量、故障穿越(低电压穿越和高电压穿越)、反孤岛保护存在一定的差异要求。
随着新能源的大比例接入,目前电网对于对B类逆变器的技术要求逐步靠近、甚至参照A类逆变器。
03逆变器安规要求
针对逆变器与并网点电压等技术要求,出台了一系列的安规要求,主要标准如下:
《光伏发电并网逆变器技术要求》(GB/T37408-2019) 7.5.1 电压适应性中规定:A类逆变器和B类逆变器的电压范围均为0.9p.u.至1.1p.u.
《光伏电站接入电力系统技术规范》(GB/T 19964-2012)9.1 电压范围规定了逆变器的电压范围为0.9p.u.至1.1p.u.
《光伏发电系统接入配电网技术规定》(GB/T 29319) 8.2 高/低压保护详细规定了逆变器的电压范围为0.85p.u.至1.1p.u.
三个标准中运行电压范围的低限数值不同,不同数值意味着不同制造成本。逆变器定值涉及分布式光伏的涉网性能,应该有严格的定值规范、审核流程和验收管理。如山东要求10kV均按照电站级的电压进行整定。
04并网点电压问题常用解决对策
如何解决并网点电压异常,可参考如下方式:
1、逆变器功率控制
逆变器在并网环节能够对光伏输出的有功功率和无功功率实现调节控制,可以通过对功率的控制实现对并网点电压的调整。
2、无功补偿装置
无功补偿对电力系统的重要性越来越受到重视,合理地使用无功补偿设备,对调整电网电压(控制电网电压波动和闪变能力)、提高供电质量、抑制谐波干扰、保证电网安全运行都有着十分重要的作用。
3、配置储能
1)储能可以解决三相电压不平衡问题。
2)通过功率型储能的快速响应能力,也可以补偿电压闪变和暂降的电压问题。
3)储能能够进行无功补偿,改善功率因素,同时不影响光伏有功出力。

充放电调节光伏并网功率,减少电压偏差
小结
随着分布式电源接入比例的上升,电网做好分布式电源与电网统筹规划,计算各级配电网承载力,加强配电网群测群控群调技术、有载调容调压配电等关键技术,我们期待电网能出台统一标准、能解决分布式电源大量接入的规范要求,携手共建新型电力系统。
加入我们