EVOÊÓѶ¡¤(Öйú)ÕæÈËÆ½Ì¨

¿É³ÖÐø·¢Õ¹
kechixufazhanzhili.svg

¿É³ÖÐø·¢Õ¹ÖÎÀí

rongyuyujiangxiang.svg

ÈÙÓþÓë½±Ïî

gudeweidexingdong.svg

¹ÌµÂÍþµÄÐж¯

baogaoyuzhengce.svg

±¨¸æÓëÕþ²ß

Ñ¡ÔñÓïÑÔ
< ·µ»Ø²Ëµ¥
    • English (Global)
    • English (North America)
    • Portugu¨ºs
    • Espa?ol (Latam)
    • M¨¦xico (Mexico)
    • English (Europe)
    • Deutsch
    • Espa?ol (Europe)
    • Italiano
    • T¨¹rk?e
    • Fran?ais
    • Nederlands
    • Polski
    • ?e?tina
    • ¦¥¦Ë¦Ë¦Ç¦Í¦É¦Ê?
    • §µ§Ü§â§Ñ?§ß§ã§î§Ü§Ñ
    • Rom?n?
    • Svenska
    • ÖÐÎÄ
    • AU&NZ
    • ???
    • Ti?ng Vi?t
    • ÈÕ±¾ÕZ
    • Pakistan
    • India
    • Malaysia
    • Sri Lanka
    • Thailand
  • MEA
·ÖÏí
douyin.svg douyin1.svg
douyin.jpg
shipinhao.svg shipinhao1.svg
shipinhaoerweima.jpg
weibo.svg weibo1.svg
weixin.svg weixin1.svg
2022-01-11

5kW»§Óùâ·ü+´¢ÄÜϵͳ·ÇµäÐÍÉè¼ÆÈ«¹ý³Ì

ǰÑÔ

ÔÚ׿¹úµÄÎ÷²¿ÓÐһƬ³äÂúÉñÃØ¡¢³äÂúÓÕ»óµÄµØ·½£¬ÕâÀïÊÇǧɽ֮áÛ£¬Íòˮ֮Դ£¬¿¡ÇεÄɽ·å¡¢¹ö¹öµÄ½­Ë®×ÌÑø×ÅêóÅ£²ØÁçÑò£¬±ùÀäµÄ°×Ñ©¡¢Æ®Òݵĺ®ÎíÑøÓý×ÅÉñÊ¥µÄ×ڽ̡£ÕâÀïÊÇÎ÷²Ø£¬ÊÇÈËÃÇÏòÍùµÄµØ·½¡£¶ø¶ÀÌØµÄµØÀíµØÃ²£¬È˼£º±ÖÁµÄ×ÔÈ»»·¾³£¬Ò²ÈÃÎï×Ê£¬ÌرðÊǵçÁ¦ÄÑÒÔË͵½ËùÓеط½¡£Ò»Ëù×øÂäÔÚÏ¿¹ÈµÄѧУ£¬Í¬ÑùÐèÒªÃæ¶ÔÕâÑù×ÓµÄÎÊÌ⣬ûÓе磬µÆ²»»áÁÁ£¬¾Íû·¨¶ÁÊ飬±ùÏäÀïµÄÊ߲˻á±äÖÊ£¬³Ô·¹¾Í³ÉÁËÎÊÌâ¡£

ÈçºÎÔÚµçÁ¦²»Îȵĸߺ£°ÎµØÇø£¬Èú¢×ÓÃǸе½ÎÂů£¬¹â·ü¼Ó´¢ÄÜÊÇÒ»ÖÖÀíÏëµÄ·½°¸¡£



Ò»¡¢³õ²½¹¹Ïë

ʵµØ¿±²ìѧУ¶àÀàÐ͸ºÔز¢½øÐзÖÀ࣬ȷÈÏÖØÒª¸ºÔع¦Âʼ°²»¶Ïµçʱ¼ä£¬¼ÆËã³öÐèÒªµÄµç³ØÈÝÁ¿¡£¸ù¾ÝѧУÎÝÃæÇé¿öºÍ¹âÕÕÇé¿ö£¬È·ÈÏ×é¼þ¹æ¸ñºÍÊýÁ¿¡£

ÓÉÓÚѧУλÓÚÏ¿¹È¿Ú£¬Í¬Ê±»áÓдóÑ©£¬Ö§¼ÜÉè¼ÆÐèÒª¿¼ÂǺÉÔØÇé¿ö¡£

ÏîĿλÓڸߺ£°ÎµØÇø£¬¿ÕÆøÏ¡±¡»áµ¼ÖÂµçÆø¾øÔµÐÔÄÜϽµ£¬ÐèÒªÑϸñÑ¡ÔñºÏÊÊµÄµçÆø²úÆ·¡£

ǰÆÚ¿±Ì½ÐèÒªÏ꾡£¬ÎïÁϽø³¡¼°°²×°Õùȡһ´ÎÐÔÍê³É¡£

´ø×ųõ²½µÄ¹¹Ï룬²¢°´ÕÕÏîÄ¿½¨ÉèÁ÷³Ì£¬¹ÌµÂÍþÈËתսÊýǧÀï½øÁ˲ØÇø¡£



¾­¹ýÏÖ³¡¿±Ì½È·ÈÏÁË·½°¸£¬ÔÚÕâÀï¼òÊö¡£

¶þ¡¢ÏîÄ¿¸ÅÊö

ѧУ¹²ÓÐÈý´±Â¥£¬°üÀ¨Ò»´±½Ìѧ¥£¬Ò»´±ËÞÉáÂ¥ºÍÒ»´±°ì¹«Â¥¡£Ñ§Ð£ºÍµ±µØÕþ¸®¡¢ÅɳöËùºÍÒ½Ôº¹²ÓÃÒ»Ì×110kWµÄË®µçÕ¾£¬Ë®µçÕ¾·¢³öÀ´µÄµçûÓо­¹ý±äѹÆ÷ºÍ¿ª¹Ø¹ñÖ±½Ó²¼ÏßÖÁѧУ£¬Ñ§Ð£Óõç²ÉÓÃT½ÓÕë´ÌµÄ·½·¨Ö±½Ó´Ó¶¯Á¦ÏßÈ¡µç¡£ÓÉÓÚ¶¬¼¾Ë®µçÕ¾·¢µçˮƽ½µµÍ£¬Êä³öµçѹ½µµÍÖÁ100V£¬Ñ§Ð£¸ºÔØÌرðÊDZùÏäÓõçµÃ²»µ½±£ÕÏ£¬Òò´ËÐèÒªÒ»Ì×¹â·ü´¢ÄÜϵͳ£¬ÎªÖØÒª¸ºÔØÌṩµçÁ¦¡£

Èý¡¢¹â·ü´¢ÄÜϵͳ½ÓÏßʾÒâ

¸ù¾ÝÏÖ³¡µçÁ¦Çé¿öºÍ¸ººÉÒªÇ󣬳õ²½ÅäÖúͽÓÏß·½°¸ÈçÏ£º



ʵµØ¿±²ì²¢ÓëѧУÀÏʦȷÈϹµÍ¨¸ºÔØÇé¿ö£¬ÓÃÓÚϵͳÈÝÁ¿È·ÈÏ¡£

¸ººÉ±í


µç³ØµÄÈÝÁ¿¼ÆË㣺²»¼ä¶Ï¹©µçÐèÒªµçÁ¿8.69kwh£¬Ô¼ºÏ180Ahµç³Ø£¬¿¼ÂÇµç³Ø·ÅµçÉî¶È80%ºÍ¶¬¼¾¹âÕÕÌõ¼þ½Ï²î£¬Í¬Ê±±ùÏäºÍ²¿·ÖµçµÆÐèÒª¹©µç£¬ÏÖ³¡²ÉÓÃ24¿é2V£¬200AhµÄǦËáµç³Ø´®ÁªÊ¹Óá£

×é¼þÈÝÁ¿¼ÆË㣺°´ÕÕ¶ñÁÓÇé¿öϽøÐкËË㣬ȷ±£Á½ÌìµÄ²»¼ä¶Ï¹©µç£¬ÐèÒªÔ¼4ǧÍßµÄ×é¼þ£¬×ۺϿ¼ÂÇÏÖ³¡µÄ°²×°»·¾³£¬Ñ¡ÓÃ16¿é275WpµÄ¹â·ü×é¼þ¡£

ËÄ¡¢¹â·üϵͳ°²×°

×é¼þ°²×°

×é¼þ°²×°ÔÚËÞÉáÂ¥µÄÂ¥¶¥£¬ËÞÉáÂ¥Îݶ¥ÊµÅĺͳߴçÈçÏÂͼ£º


Îݶ¥ÊµÅÄ


Îݶ¥³ß´çºÍ×é¼þÅŲ¼Ê¾Òâ


Ö§¼Ü°²×°Ê¾Òâ


ÏÖ³¡°²×°Íê³Éºó×é¼þ


Äæ±äÆ÷°²×°

Äæ±äÆ÷²ÉÓù̵ÂÍþGW5048D-ES£¬²ÉÓñڹÒʽ°²×°ÔÚѧУ´¢´æÊ߲˵ķ¿¼ä¡£


ÏÖ³¡Ë«Ïò´¢ÄÜÄæ±äÆ÷ͼƬ


µç³Ø°²×°

µç³Ø²ÉÓÃǦËáµç³Ø£¬µç³ØµÄÅŲ¼ºÍ·â×°£¬¿¼ÂÇÏÖ³¡¿Õ¼ä½ÏСͬʱ³±Êª£¬ÐèÒª´øµç³ØÖ§¼Ü°²×°£»

µç³ØÐèҪȷ±££¬Ð¡ÅóÓÑÃDz»ÄÜ´¥¼°¡£


ÏÖ³¡´¢ÄÜµç³Ø°²×°Í¼Æ¬


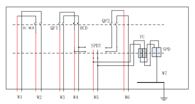
ÅäµçÏä½ÓÏßͼºÍ°²×°

ÅäµçÏäÐèҪʵÏֵŦÄÜΪ£º
Ë®Àû·¢µç»úµçÄܳä×ãʱ£¬Ñ§Ð£µÄ¸ºÔØ¿ÉÒÔÈ«²¿ÓÉË®Àû·¢µç»ú¹©µç£¬¼õÉÙ¶Ôµç³ØµÄʹÓã¬Í¬Ê±Ìṩת»»¿ª¹Ø£¬ÒÔ±ãÿ¸ôÁ½ÖÜ¶Ôµç³Ø½øÐÐÒ»´Î³ä·Åµç£¬µçÄÜÖ±½Ó¹©¸øBACK-UP¶Ë¸ºÔØ¡£
Ë®Àû·¢µç»úµçÄܲ»³ä×ã»òµçÄÜÖÊÁ¿´ï²»µ½ÒªÇóʱ£¬ÐèҪʵÏÖÊÖ¶¯Çл»ÖØÒª¸ºÔØÖÁBACK-UP¶Ë¿Ú£¬²¢È·±£Áª¶¯²»»á½«BACK-UPÓëON-GRIDÁ¬½Ó¡£
ÅäµçÏäÒý³öÒ»¸ö²å×ù£¬ÓÃÓÚ¸ø¶ÔµçÄÜÒªÇó¸ßµÄ¸ºÔع©µç¡¢×ö±¸·Ý½ô¼±µçÔ´£¬Í¬Ê±¿ÉÒÔÊʵ±¼õÉÙ¹â·üµçµÄÀË·Ñ¡£

°²×°Ðîµç³Ø¿ª¹Ø¡£


ÅäµçÏä½ÓÏßͼ


×ܽá

ÏîÄ¿°²×°Íê³É£¬¾­¹ýµ÷ÊÔÑéÊպ󣬳ÖÐøÎȶ¨ÔËÐУ¬º¢×ÓÃDz»±Øµ£ÐͬÌìûµçû·¨¶ÁÊ飬Ҳ²»±Øµ£ÐÄûµç³Ô²»µ½·¹¡£»òÐíÕâ²¢²»ÄÜËãÊÇÒ»¼þΰ´óµÄÊÂÇ飬ȴÈù̵ÂÍþÈ˾õµÃÒâÒå·Ç·²£¬ÒòΪº¢×ÓÃǵÄ΢ЦÊÇÄÇÑùµÄÎÂů¡£



¼ÓÈëÎÒÃÇ

¶©ÔĹ̵ÂÍþ

ÔÚÊäÈëÄúµÄÏêϸÐÅÏ¢ÒÔ½ÓÊÕÐÅÏ¢

Äú´ÓÄÄÀïÁ˽⵽¹ÌµÂÍþ?...

three

two

one

ÑéÖ¤Âë:*

ÎÒͬÒâ Òþ˽Õþ²ß ²¢½ÓÊÜÕâЩÌõ¼þ

Ìá½»

¡¾ÍøÕ¾µØÍ¼¡¿¡¾sitemap¡¿